49014
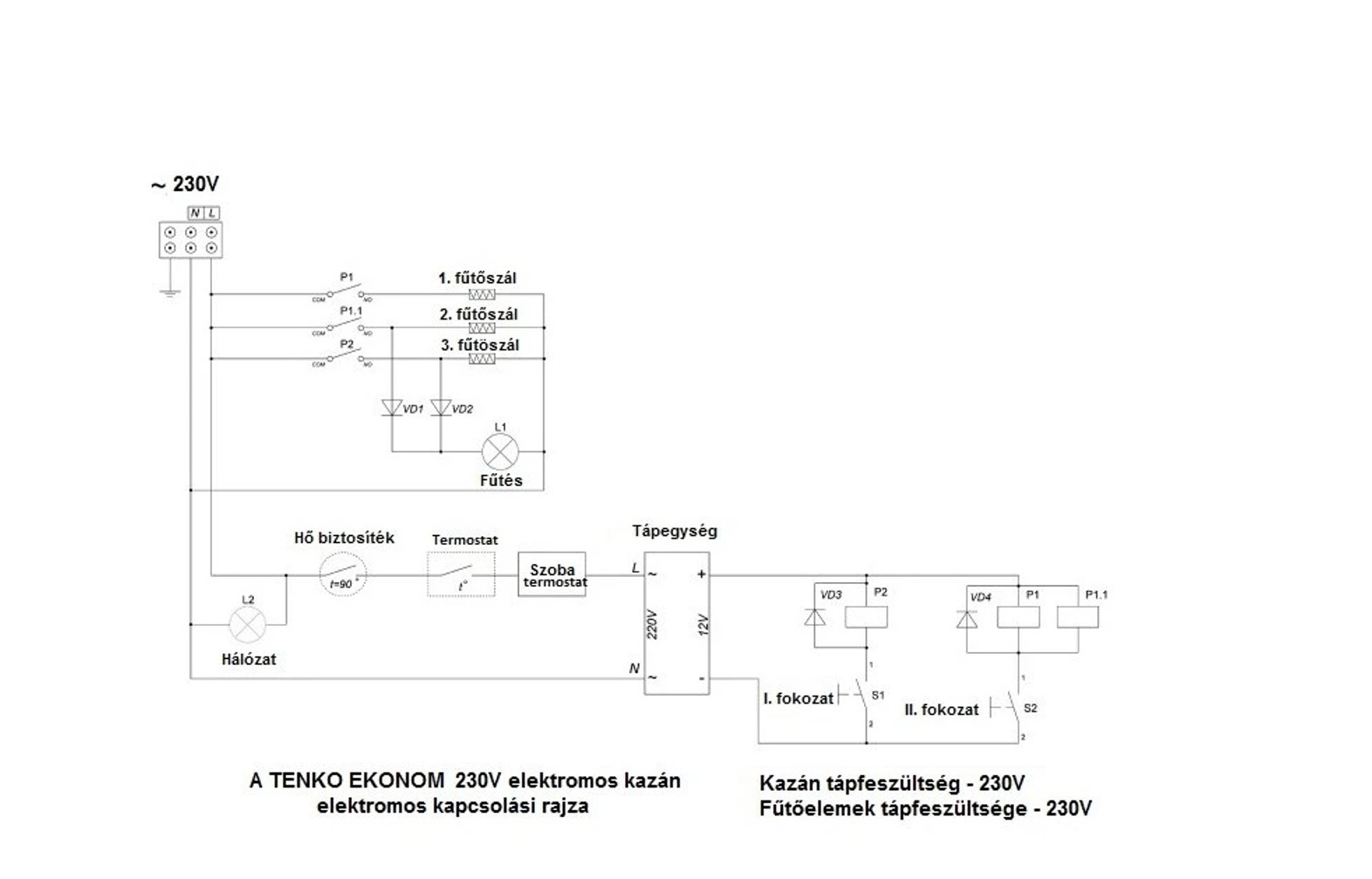
TENKO Ekonom 220V 6 kW elektromos kazán
nincs készleten
Technikai tulajdonságok
| Állapot | Új |
|---|---|
| Garancia Helye | Beküldős |
| Márka | TENKO |
| Padlófűtés Lehetősége | Igen |
| Teljesítmény (Kw) | 6 |
| Garancia | 24 hónap |
| Márka | TENKO |
| Padlófűtés Lehetősége | Igen |
| Állapot | Új |
| Teljesítmény (Kw) | 6 |
| Garancia Helye | Beküldős |
| Garancia | 24 hónap |
| Súly | 15 kg |
| Méretek | 140 mm x 210 mm x 690 mm |




